過載報警控制的PLC線路與梯形圖
文章導讀:過載報警控制的PLC線路與梯形圖
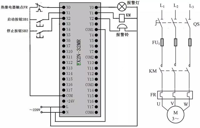
plc線路與梯形圖說明如下:
起動控制按下起動按鈕SB1→[1]X001常開觸點閉合→[SET Y001]指令執行→Y001線圈被置位,即Y001線圈得電→Y1端子內部硬觸點閉合→接觸器KM線圈得電→KM主觸點閉合→電動機得電運轉。
停止控制
按下停止按鈕SB2→[2]X002常開觸點閉合→[RST Y001]指令執行→Y001線圈被復位,即Y001線圈失電→Y1端子內部硬觸點斷開→接觸器KM線圈失電→KM主觸點斷開→電動機失電停轉。
過載保護及報警控制
以上就是過載報警控制的PLC線路與梯形圖的所有內容了。需要了解更多關于三菱自動化文章的朋友,請關注海藍機電。
海藍機電為你提供機器人視覺、上位機軟件、自動化開發、機電設備維修等技術服務。
深圳市海藍機電設備有限公司(m.gzysjwy.com)專業經營:三菱PLC、三菱伺服電機、三菱變頻器、三菱觸摸屏等工控自動化產品的批發和代理工作。
電話:0755-88356296(10線) 吳經理:13823726967
本文原創自:深圳海藍機電設備有限公司,轉載請注明出處:http://m.gzysjwy.com/article/844.html.




評論信息