三菱FX3U系列PLC輸出接線方法
三菱FX3U系列PLC輸出接線方法
不管使用哪種型號的三菱PLC,都需要掌握其接線方式,明白三菱PLC所接電源是多少,知道怎么把信號接入到PLC里面,怎么用PLC的輸出信號來控制負載,模擬量信號的輸入和輸出怎么接,等等我們都需要掌握,在了解接線方式前,我們需要先了解此三菱PLC的型號,清楚了型號后我們才能夠更好的來接線。如圖所示為三菱FX3U系列PLC的型號說明
從上圖型號說明中我們可以看出對于三菱FX3U系列PLC來說, 他的輸出分為繼電器輸出和晶體管輸出和晶閘管輸出。而晶體管輸出可以分為源型輸出和漏型輸出兩種類型。
繼電器輸出接線:如果是繼電器輸出的三菱FX3U系列PLC在接線的時候應該注意電壓的范圍,對于直流應使用DC30V以下,對于交流應使用AC240V以下的電源。
三菱plc接線圖如圖所示:

因其為繼電器輸出型,所以對于電壓的接法來說,在接線的時候可以不考慮正負的問題。
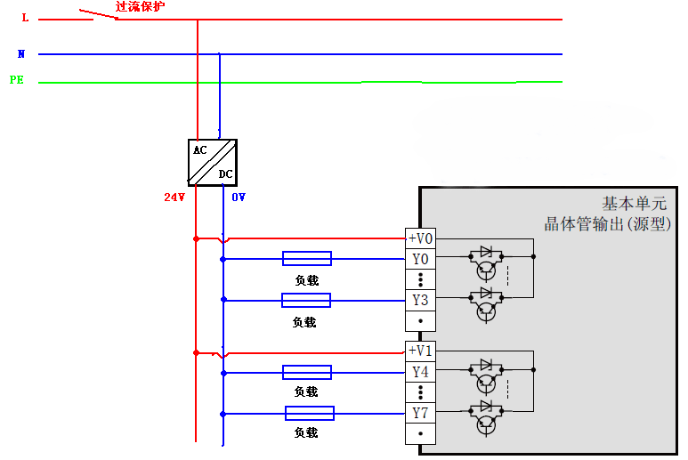
晶體管輸出:
晶體管輸出的PLC其輸出所接電源為DC5V~Dc30V。如何來判斷其是源型輸出還是漏型輸出呢?主要有一下兩個方面,如下圖所示:

1、對照上圖型號說明,根據型號判斷:T/ES:表示漏型輸出,T/ESS:表現源型輸出。
2、根據公共端來判斷:對于漏型輸出,公共端為負,用的是Com表示。而對于源型輸出,公共端為正,用+V表示。
漏型接線:

源型接法:

晶閘管輸出:
使用電源為AC100V或是AC200V,因使用的是交流電源,所以在接線的時候可以不考慮正負方向。
晶閘管三菱PLC的型號為S/ES

以上便是三菱FX3U系列PLC輸出接線方法,希望對您能有所幫助。更多精彩實用的三菱plc技術資訊,請訪問海藍機電官網!




評論信息